FacadeChange UnderBehandling Leilighetsbygg

Fasadeendring og sammenføyning av boenheter i Trondhjemsvegen 31B, Gjøvik

📍 Trondhjemsvegen 31B , 2819 GJØVIK

Nøkkelinfo

Sakstype
Fasadeendring
Bygningstype
Leilighetsbygg
Bruksareal
77 m²
Boenheter
1
Kommune
Gjøvik
Fylke
Innlandet
Gnr / Bnr
67 / 109
Saksnummer
2025/190
Fase
Under behandling

Om byggesaken

Prosjektet omfatter fasadeendring og sammenføyning av to boenheter i en horisontaldelt tomannsbolig som endres til en enebolig. Bygningen er to etasjer med saltak og trekledning. Fasadeendringen inkluderer utskifting av vinduer fra 1980- og 1990-tallet til nye krysspostvinduer som gjenskaper byggets opprinnelige stil, med tilpasset omramming og detaljering. Det gjøres mindre endringer i bærekonstruksjonen, blant annet forsterkning av bærende vegger og utskifting av enkelte bjelker med I-bjelker. Byggets ytre volum og dimensjoner endres ikke. Innvendig planløsning tilpasses for å slå sammen to boenheter til én større enhet uten økning i areal. Det gjenstår mindre utvendige fasadearbeider ved bordkledning, men tiltaket har tilfredsstillende sikkerhetsnivå for bruk. Bygget har 1 trapp, 14 vinduer av ulike typer og 8 dører. Fasaden er i tre med saltak, og det finnes pipe og balkonger.

Produkter og materialer

Stål Bjelker

🧱 I-bjelker (f.eks. Masonite Beams)

Bytte av enkelte bjelker i etasjeskiller og forsterkning av bærevegger

Forsterkning av bærekonstruksjon med nye I-bjelker og forsterkede vegger

Fasade Trekledning og omramming

🧱 Trepanel med original profil

Fasadens bordkledning ferdigstilles, med omramming tilpasset opprinnelig stil

Ferdigstillelse av utvendig bordkledning og fasadeelementer i tre

Tømrer Innvendige og utvendige arbeider

Sammenføyning av boenheter, tilpasning av planløsning, ferdigstillelse av bordkledning og fasade

Tømrerarbeider knyttet til sammenføyning og fasadeendring

Vinduer Krysspostvinduer

🧱 Tre med kittfals, 4-rams sidehengslet

Antall: 14

Vinduer fra byggets opprinnelige byggeår, med omramming og detaljering i samme stil, uten løse sprosser eller metallister

Utskifting av eksisterende vinduer fra 1980-1990-tallet til nye krysspostvinduer som gjenskaper original stil

Tak Saltak

🧱 Tre med taktekking iht. eksisterende

Antall: 1

Takets høyde og form endres ikke

Eksisterende saltak opprettholdes uten endring i volum

Dører Ytterdører og innerdører

🧱 Tre eller tilsvarende

Antall: 8

Dører i fasade og innvendig i bygget, tilpasset sammenføyning av boenheter

Eksisterende dører beholdes eller tilpasses i forbindelse med sammenføyning

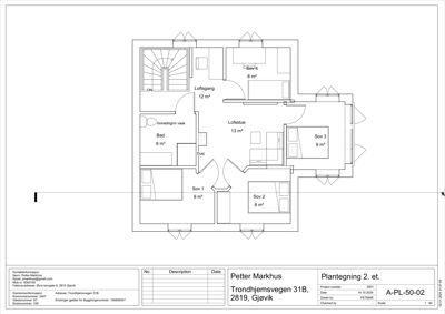
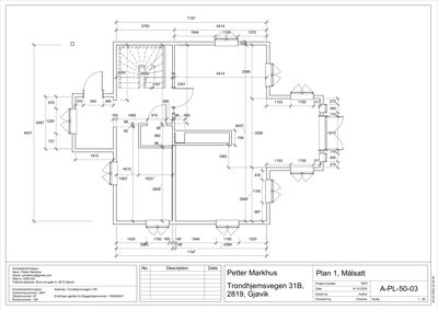
Plantegning

Enebolig 77.0 m²

Etasje 1 0.0 m²

Rom Areal Vinduer Dører
GANG 0 0.0 m² 0 2
BAD 0 0.0 m² 0 1
SOVEROM 0 0.0 m² 0 1
SOVEROM 0 0.0 m² 0 1
SOVEROM 0 0.0 m² 0 1
Stue 101 35.1 m² 2 2
Gang 102 10.3 m² 0 3
Sove 103 12.8 m² 1 1
Bad 104 5.2 m² 0 1
GANG GANG 0.0 m² 0 0
BOD BOD 0.0 m² 0 0
Gang 105 0.0 m² 0 2
Bad 106 0.0 m² 0 1
Soverom 107 0.0 m² 0 1
Soverom 108 0.0 m² 0 1
Soverom 109 0.0 m² 0 1
Terrasse 110 0.0 m² 0 0

Etasje 2 77.0 m²

Rom Areal Vinduer Dører
Lofsstue 201 13.0 m² 1 1
Sov 1 202 9.0 m² 1 1
Sov 2 203 8.0 m² 1 1
Sov 3 204 9.0 m² 2 1
Sov 4 205 8.0 m² 1 1
Bad 206 6.0 m² 0 1
Loftsgang 207 12.0 m² 0 0

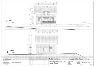
Fasader

Enebolig

Nordøst
Materiale
Tre
Taktype
Saltak
Vinduer
6
Dører
1
Balkonger
1
Synlige etasjer
2
Øst
Materiale
Tre
Taktype
Saltak
Høyde
6.0 m
Mønehøyde
8.0 m
Vinduer
3
Dører
1
Balkonger
1
Synlige etasjer
2
Vest
Materiale
Tre
Taktype
Saltak
Høyde
6.0 m
Mønehøyde
8.0 m
Vinduer
2
Dører
1
Synlige etasjer
2
Sør-Øst
Materiale
Tre
Taktype
Saltak
Vinduer
6
Dører
1
Balkonger
1
Synlige etasjer
2
Ukjent
Materiale
Tre
Taktype
Saltak
Vinduer
8
Dører
1
Balkonger
1
Synlige etasjer
2

Hendelser

16.04.2026 67/109 - Trondhjemsvegen 31B, Gjøvik - Søknad om midlertidig brukstillatelse
28.02.2025 67/109 - Trondhjemsvegen 31B, Gjøvik - Vedtak om tillatelse til sammenføying og fasadeendring
25.02.2025 67/109 - Trondhjemsvegen 31B, Gjøvik - Oversendelse av plantegninger
20.01.2025 67/109 - Trondhjemsvegen 31B, Gjøvik - Kopi - Uttalelse til nabovarsel - Endring av bygg
10.01.2025 67/109 - Trondhjemsvegen 31B, Gjøvik - Søknad om tillatelse til tiltak - Fasadeendring/sammenføyning