Extension Igangsettingstillatelse Naeringsbygg

Utvidelse av Scandic Hotel Narvik, Kongens gate 33

📍 Kongens gate 33 , 8514 NARVIK

Nøkkelinfo

Sakstype
Tilbygg
Bygningstype
Naeringsbygg
Bruksareal
6,339 m²
Kommune
Narvik
Fylke
Nordland - Nordlánnda
Gnr / Bnr
40 / 1340
Saksnummer
24/4949
Fase
Igangsettingstillatelse

Om byggesaken

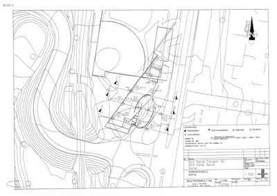
Prosjektet omfatter en betydelig utvidelse av Scandic Hotel Narvik med en ny hotellfløy på ca. 6 339 m² BRA, inkludert 105 nye hotellrom, samt en konferanse- og kultursal med kapasitet til 700–800 personer. Den nye hotellfløyen bygges som tilbygg til eksisterende hotell og som påbygg over Parkhallen (parkeringshus). Eksisterende musikkpaviljong «Haikjeften» rives og erstattes av en ny paviljong med scene og amfi integrert i terrenget. Parkarealet oppgraderes med grønne tak og utearealer tilrettelagt for publikum. Bygget består av plasstøpte betongkonstruksjoner med glassfasader, og tekniske anlegg inkluderer varmepumper, ventilasjon, sanitær, brannslukking og elektroinstallasjoner. Prosjektet inkluderer også omfattende grunnarbeider, miljøsanering og tilpasning til jernbanens infrastruktur i nærområdet.

Produkter og materialer

VVS Slukkeinstallasjoner

Sprinkleranlegg iht. NE EN 12845 for hotell og konferansesal

Brannslukningsanlegg for brannsikkerhet

Riving Riving av musikkpaviljong Haikjeften

🧱 Betong

Antall: 1

Riving av eksisterende musikkpaviljong Haikjeften på Parkhalltaket, med dokumentasjon iht. nivå 3 standard

Riving av musikkpaviljong og dokumentasjon av kulturminneverdier

Elektro Brannalarmanlegg

Brannalarmanlegg kategori 2 iht. NS 3960

Brannalarmanlegg for hotell og konferansesal

Avfall Avfallshåndtering på byggeplass

Avfallsplan med sortering og håndtering av ulike avfallstyper under byggeperioden

Avfallshåndtering og renhold på byggeplass

Betong Plasstøpte betongkonstruksjoner

🧱 Betong

Plasstøpte betongkonstruksjoner i hotellfløy, konferansesal og mellombygg

Betongkonstruksjoner for bæring og dekker

Fasade Glassfasade og betongfasade

🧱 Glass og betong

Glassfasader på konferansesal og hotellfløy, betongfasader på ny hotellfløy og eksisterende hotellfløy

Fasadeelementer i glass og betong for nybygg og påbygg

Ventilasjon Ventilasjon- og klimainstallasjoner

Separate ventilasjonsanlegg for hotellromsfløy og konferansesal

Ventilasjons- og klimaanlegg for nybygg

Tak Grønt tak

🧱 Sedum og jordlag

Grønt tak på konferansesal og deler av hotellfløy, sedumtak med jordlag for overvannshåndtering

Grønt tak med sedum og jordlag for overvannshåndtering og oppholdsareal

Elektro Ledesystem

Ledesystem for rømningsveier

Ledesystem for sikker evakuering

VVS Varme- og kuldeinstallasjoner

Varmepumper luft/vann for oppvarming og kjøling, elektrisk gulvvarme på bad

Varme- og kjøleanlegg for ny hotellfløy

Uteareal Utomhusanlegg og landskapsforming

🧱 Grøntarealer, beplantning, lekeplass, amfi

Opparbeidelse av parkarealer, lekeplass, amfi, grønne tak og beplantning

Utomhusanlegg med grøntarealer og publikumsarealer

Grunnarbeid Grunn- og fundamentarbeider

Grunnarbeider, fundamentering med punkt- og stripefundamenter, inkludert hulltaking i eksisterende betongdekke i Parkhallen

Grunn- og fundamentarbeider for ny hotellfløy

Miljøsanering Miljøsanering og håndtering av forurenset grunn

Miljøsanering av forurenset grunn under Parkhallen og på taket, med tiltaksplan og massehåndtering

Miljøsanering og håndtering av forurenset grunn

Vinduer Hotellromsvinduer

🧱 Glass

Antall: 480

Glassfasader med 40 vinduer på nordfasade, glassvinduer i hotellrom ca. 28,5 m² med 1 vindu per rom

Vinduer for hotellrom i ny hotellfløy og konferansesal

Kjøkken Kjøkkenutstyr og anretningskjøkken

Kjøkken, anretningskjøkken og lagerrom i hotell og konferansedel

Kjøkken- og lagerfasiliteter

Dører Hotellromsdører og fellesdører

🧱 Standard dører

Antall: 90

Dører til hotellrom og fellesarealer, inkludert 3 dører i restauranten, 8 dører i gangarealer

Dører for hotellrom og fellesområder i nybygg

Trapper Innvendig trapp i L-form

🧱 Betong og stål

Antall: 1

Innvendig trapp i hotellet, 1 trapp i bygget

Innvendig trapp for etasjetilgang

Tømrer Tømrerarbeid og montering av trekonstruksjoner

🧱 Tre

Tømrerarbeid i ny hotellfløy og konferansesal

Tømrerarbeid og montering av trekonstruksjoner

Veg Veg- og grunnarbeider

Veg- og grunnarbeider i tilknytning til utomhusanlegg og adkomst

Veg- og grunnarbeider for utomhusplan

VVS Sanitærinstallasjoner

Sanitærinstallasjoner i hotellrom, fellesarealer og konferansesal

Sanitærinstallasjoner for nytt hotellbygg

Bad Bad og sanitæranlegg

Antall: 60

Bad i hotellrom, konferansesal og fellesarealer

Bad og sanitæranlegg i nybygg

Heis Heisinstallasjoner

Antall: 4

Heiser i hotellfløy og konferansesal, inkludert heis i underetasjer

Heisinstallasjoner for vertikal transport

Fasader

Hotell

Sørøst
Materiale
Glass
Vinduer
12
Dører
1
Synlige etasjer
6
Sørvest
Materiale
Glass
Vinduer
12
Dører
1
Synlige etasjer
6
Nord
Materiale
Glass
Taktype
Flatt tak
Vinduer
40
Dører
2
Synlige etasjer
5
Sør
Materiale
Glass
Vinduer
18
Dører
2
Balkonger
6
Synlige etasjer
5
Vest
Materiale
Glass
Taktype
Flatt tak
Vinduer
12
Dører
1
Balkonger
1
Synlige etasjer
6

Eksisterende hotellfløy

Øst
Materiale
Betong
Taktype
Flatt tak
Vinduer
0
Dører
0
Synlige etasjer
0

Ny hotellfløy

Øst
Materiale
Betong
Taktype
Flatt tak
Vinduer
0
Dører
0
Synlige etasjer
0

Konferansesal

Øst
Materiale
Glass
Taktype
Parktak
Vinduer
0
Dører
0
Synlige etasjer
0

Hendelser

14.04.2026 Søknad om endring av gitt tillatelse eller godkjenning på gbnr. 40/1340, Kongens gate 33
08.04.2026 Bane NORs uttalelse - Nabovarsel og søknad om dispensasjon for utvidelse av bygg, gnr/bnr. 40/1340
27.03.2026 Tilbakemelding om mangler - Søknad om dispensasjon fra regulert byggehøyde for oppføring av utvidelse av Scandic Hotel Narvik på gbnr. 40/1340, Kongens gate 33
27.03.2026 Revidert søknad om igangsettingstillatelse 3 - Scandic Hotel Narvik - Revidert igangsettingssøknad (IG3)
27.03.2026 Vedtak - Igangsettingstillatelse III for utvidelse av Scandic Hotel Narvik på gbnr. 40/1340, Kongens gate 33
06.03.2026 Søknad om endring av gitt tillatelse eller godkjenning av rammetillatelse for utvidelse av Scandic Hotel Narvik gbnr. 40/1340 Kongens gate 33
06.02.2026 Søknad om igangsettingstillatelse - Gbnr. 40/1340, Kongens gate 33
29.01.2026 Ofotbanen - Gbnr. 40/825 - Vedtak om tillatelse etter jernbaneloven § 10 - Nye Scandic Narvik
23.01.2026 Vedtak - Endring av gitt tillatelse - Utvidelse av Scandic Hotel Narvik på gbnr. 40/1340, Kongens gate 33
19.01.2026 Søknad om endring av gitt tillatelse eller godkjenning for gbnr. 40/1340, Kongens gate 33
16.01.2026 Vi innvilger søknaden om samtykke etter automatisk saksbehandling - for utvidelse av Scandic Hotel Narvik på gbnr. 40/1340, Kongens gate 33
28.11.2025 Kopi til Narvik kommune - Ofotbanen - Narvik kommune - Gbnr. 40/825 - Kongens gate 37 - Vedtak om tillatelse til tiltak etter jernbaneloven § 10 - Riving av Haikjeften
13.11.2025 Vedtak - Igangsettingstillatelse II for utvidelse av Scandic Hotel Narvik på gbnr. 40/1340, Kongens gate 33
06.11.2025 Søknad om igangsettingstillatelse for utvidelse av Scandic Hotel Narvik på gbnr. 40/1340 Kongens gate 33
27.10.2025 Vedtak - Igangsettingstillatelse I for utvidelse av Scandic Hotel Narvik på gbnr. 40/1340, Kongens gate 33
06.10.2025 Søknad om igangsettingstillatelse for utvidelse av Scandic Hotel Narvik på gbnr. 40/1340, Kongens gate 33
21.08.2025 Tilbakemelding fra BaneNor om rivning av haikjeften gbnr. 40/825
15.08.2025 Vedtak - Endring av gitt tillatelse - Utvidelse av Scandic Hotel Narvik - gbnr. 40/1340, Kongens gate 33
14.08.2025 Begrunnelse for fritak av nabovarsling for endringssøknad
13.08.2025 Svar fra Veg og park -søknad til uttalelse - Søknad om endring av gitt tillatelse - Nye Scandic Hotel Narvik - Endring av fasade - Gbnr. 40/1340, Kongens gate 33
10.07.2025 Oversender søknad til uttalelse - Søknad om endring av gitt tillatelse - Nye Scandic Hotel Narvik - Endring av fasade - Gbnr. 40/1340, Kongens gate 33
04.07.2025 Søknad om endring av gitt tillatelse eller godkjenning gbnr. 40/1340, Kongens gate 33
04.07.2025 Krav til dokumentasjon i forbindelse med riving av Haikjeften - Narvik kommune 1806 gbnr. 40/825.
03.07.2025 Søknad om endring av gitt tillatelse - Scandic Hotel Narvik - endringer på fasade
18.06.2025 Dispensasjon fra krav om tilfluktsrom - GBNR 40/825, 40/1258 og 40/1340 - Scandic Hotel Narvik
15.04.2025 Vedtak - Rammetillatelse for utvidelse av Scandic Hotel Narvik på gbnr. 40/1340, Kongens gate 33
12.02.2025 Søknad om rammetillatelse for utvidelse av Scandic Hotel Narvik på gbnr. 40/1340, Kongens gate 33
27.01.2025 Tilbakemelding fra Statens vegvesen - Nabovarsel endring av bygg gbnr. 40/1340, Kongens gate 33
23.01.2025 Tilbakemelding fra Bane NOR - Nabovarsel utvidelse av bygg gbnr. 40/1340 , Kongens gate 33
23.01.2025 Søknad om tillatelse etter jernbaneloven § 10 - gbnr. 40/1340, Kongens gate 33
13.11.2024 Forespørsel om forhåndskonferanse - Scandic Hotel Narvik gbnr. 40/1340