Extension Soeknad Offentlig

Etablering av ventilasjonskjøling i Årdal omsorgssenter, Melevegen 136

Nøkkelinfo

Sakstype
Tilbygg
Bygningstype
Offentlig
Kommune
Hjelmeland
Fylke
Rogaland
Saksnummer
2026/401
Fase
Søknad

Om byggesaken

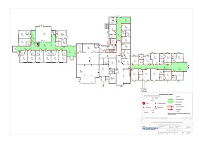
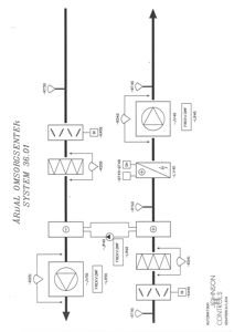
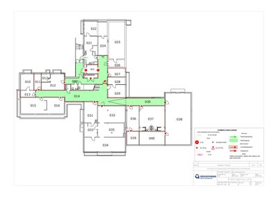
Prosjektet omfatter etablering av et komplett kjøleanlegg integrert i det eksisterende ventilasjonsanlegget ved Årdal omsorgssenter, et offentlig omsorgsbygg. Kjøleanlegget inkluderer montering av kjølebatteri i tilluftskanal, utedel plassert på bakkeplan utenfor teknisk rom i byggets loftsetasje, samt styre- og reguleringsenhet i el-tavle for varmepumpens pådrag. Leveransen omfatter komplett VVS- og elektroinstallasjon, inkludert rørlegging, tetting av nye gjennomføringer i henhold til branntegninger, funksjonstesting, innregulering og overlevering av FDV-dokumentasjon. Ventilasjonsanlegget er et lavtrykks balansert system med varmegjenvinning, plassert i teknisk rom på loftet, og betjener flere etasjer i omsorgssenteret. Prosjektet skal forbedre inneklima ved å redusere sommertemperaturer i bygget.

Produkter og materialer

Elektro Styreenhet og regulering

Antall: 1

Styreenhet installert i el-tavle for regulering av varmepumpens pådrag

Elektronisk styre- og reguleringsenhet for varmepumpe

VVS Rørlegging og tilkobling

Alt nødvendig rørarbeid for tilkobling av kjøleanlegg til eksisterende ventilasjon og VVS

Rørinstallasjon for kjøleanlegg og ventilasjon

VVS Varmepumpe utedel

Antall: 1

Utedel plassert på bakkeplan utenfor teknisk rom, kommunikasjon via Modbus for SD-anlegg

Varmepumpe utedel for kjøleanlegget med Modbus-kommunikasjon

Mur Tetting av gjennomføringer

Tetting rundt nye gjennomføringer i henhold til vedlagte branntegninger

Branntetting ved nye installasjoner i ventilasjonsanlegget

Annet Funksjonstesting og innregulering

Inkludert i leveransen, komplett testing og innregulering av kjøleanlegg

Testing og innregulering av nytt kjøleanlegg

Annet FDV-dokumentasjon

Fullstendig dokumentasjon for forvaltning, drift og vedlikehold skal leveres digitalt

FDV-dokumentasjon for kjøleanlegg

VVS Kjølebatteri

Antall: 1

Kjølebatteri montert i tilluftskanal, kompatibelt med eksisterende ventilasjonsanlegg

Kjølebatteri for kjøling av tilluft i ventilasjonsanlegget

Elektro Elektrisk installasjon

Montering av alt elektrisk og elektronisk utstyr nødvendig for komplett kjøleanlegg

Elektrisk installasjon for kjøleanlegg og styresystem

Hendelser

21.04.2026 Melding til leverandør - Avklaringsmøte
21.04.2026 Melding fra leverandør - Fw: Avklaringsmøte
17.04.2026 Tildeling - Etablering av ventilasjonskjøling, Årdal omsorgssenter
17.04.2026 Tildeling - Etablering av ventilasjonskjøling, Årdal omsorgssenter
16.04.2026 Tilbud - Etablering av ventilasjonskjøling, Årdal omsorgssenter
16.04.2026 Tilbud - Etablering av ventilasjonskjøling, Årdal omsorgssenter
09.04.2026 Tilleggsinformasjon - Tilleggsinformasjon 1
13.03.2026 Kunngjøring - Etablering av ventilasjonskjøling, Årdal omsorgssenter