ChangeOfUse Ferdigattest Enebolig

Bruksendring av kjeller i enebolig, Wernersholmvegen 21C, Bergen

📍 Wernersholmvegen 21C , 5232 PARADIS

Nøkkelinfo

Sakstype
Bruksendring
Bygningstype
Enebolig
Bruksareal
41 m²
Boenheter
1
Kommune
Bergen
Fylke
Vestland
Gnr / Bnr
41 / 286
Saksnummer
BYGG-2025/17545
Fase
Ferdigattest

Om byggesaken

Intern bruksendring av kjeller i en enebolig fra 1928, med et areal på 41,28 m², hvor kjellerrom tidligere brukt som tilleggsdel (ved-/koks-lager, vaskerom, matbod, strykerom) omgjøres til hoveddel med oppholdsrom som stue, kjøkken, bad og soverom. Kjelleren har romhøyde på 2,11 meter, tilfredsstillende rømningsveier via utgang til det fri og sekundærrømning gjennom vinduer, samt ventilasjon via kanaler og vinduer. Vegger og gulv mot grunnen er isolert og fuktsikret, med elektrisk gulvvarme installert. Tiltaket innebærer ingen endring av byggets ytre mål, fasade eller plassering, og ligger 2,1 meter fra nabogrense. Det er stilt krav om uavhengig kontroll av brannprosjektering. Prosjektet har fått tillatelse og ferdigattest.

Produkter og materialer

Isolasjon Fuktsikring og isolasjon av vegger og gulv mot grunn

Vegger og gulv mot grunnen er isolerte og fuktsikrede for å sikre tørt og helsemessig inneklima

Isolasjon og fuktsikring i kjeller for oppholdsrom

Brannvern Brannprosjektering og uavhengig kontroll

Krav om uavhengig kontroll av brannprosjektering for rømningsvei i kjeller

Brannprosjektering og kontroll for sikker rømningsvei

Elektro Elektrisk gulvvarme i kjeller

Elektrisk gulvvarme installert i alle rom i kjeller

Oppvarming av kjeller med elektrisk gulvvarme

Ventilasjon Ventilasjonskanaler for tilluft og avtrekk

Ventilasjon via kanaler i oppholdsrom, bad og kjøkken, samt mulighet for lufting via vinduer

Ventilasjon for oppholdsrom i kjeller

Tømrer Innvendige arbeider i kjeller

🧱 Tre

Innvendig ombygging av kjellerrom til oppholdsrom uten endring av ytre fasade eller volum

Innvendig oppussing og tilpasning av kjeller til boligformål

Dører Utgangsdør til det fri fra kjeller

Antall: 1

Dør til utgang fra kjeller som hovedrømningsvei

Eksisterende utgangsdør i kjeller for rømningsvei

Vinduer Rømningsvinduer i kjeller

Antall: 5

Vinduer tilfredsstiller krav til rømningsvei og dagslys, sekundærrømning via vinduer i oppholdsrom

Eksisterende vinduer i kjeller opprettholdes for rømningsvei og dagslys

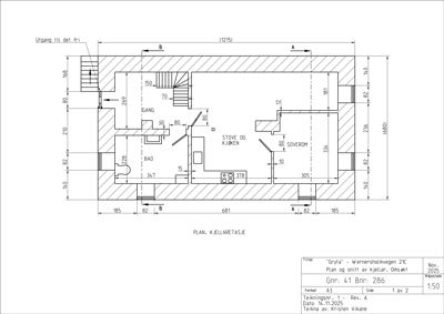
Plantegning

Enebolig 41.3 m²

Etasje 0 41.3 m²

Rom Areal Vinduer Dører
Gang 001 4.7 m² 0 1
Bad 002 4.9 m² 0 1
Stove og kjøkken 003 14.5 m² 0 1
Soverom 004 11.2 m² 0 1

Fasader

Enebolig

Sør
Materiale
Tre
Taktype
Saltak
Høyde
4.2 m
Mønehøyde
6.2 m
Vinduer
6
Dører
0
Synlige etasjer
2
Øst
Materiale
Tre
Taktype
Saltak
Vinduer
4
Dører
1
Synlige etasjer
2
Nord
Materiale
Tre
Taktype
Saltak
Vinduer
2
Dører
1
Balkonger
1
Synlige etasjer
2
Vest
Materiale
Tre
Taktype
Saltak
Vinduer
4
Dører
1
Balkonger
1
Synlige etasjer
2

Hendelser

06.04.2026 Wernersholmvegen 21C Søknad om ferdigattest 41/286
26.01.2026 Svar på spørsmål om etterkontroll/prosjektering- 41/286/0/0 Wernersholmvegen 21C, bruksendring fra tilleggsdel til hoveddel
22.01.2026 Vedrørende ønsker om presisering - Spørsmål om etterkontroll/prosjektering
22.01.2026 Ønsker presisering - Spørsmål om etterkontroll/prosjektering
07.01.2026 Gebyr
07.01.2026 Ubw ordre 20685220
18.12.2025 Tillatelse til tiltak, 41/286, Wernersholmvegen 21C
17.11.2025 Bekreftelse på mottatt søknad - 41/286/0/0 Wernersholmvegen 21C, bruksendring fra tilleggsdel til hoveddel
16.11.2025 Wernersholmvegen 21C Søknad om tillatelse til tiltak uten ansvarsrett 41/286