ChangeOfUse UnderBehandling Leilighetsbygg

Bruksendring og etablering av tre boenheter i Knapstadveien 2A

📍 Knapstadveien 2A , 1823 KNAPSTAD

Nøkkelinfo

Sakstype
Bruksendring
Bygningstype
Leilighetsbygg
Bruksareal
141 m²
Boenheter
3
Kommune
Indre Østfold
Fylke
Østfold
Gnr / Bnr
836 / 228
Saksnummer
2026/2572
Fase
Under behandling

Om byggesaken

Bruksendring av underetasjen i et eksisterende leilighetsbygg til tre separate boenheter med tilhørende soverom, bad, kjøkken og oppholdsrom. Underetasjen på ca. 141 m² får etablert nye boenheter med nødvendige funksjoner som stue/kjøkken, bad, soverom og vaskerom. Det gjøres en fasadeendring hvor et vindu erstattes med en glassdør for å ivareta dagslys- og rømningskrav. Bygget har tre etasjer med tre fasader i treverk og saltak. Prosjektet inkluderer også krav til bodplass, støyvurdering og nabovarsling i henhold til gjeldende regelverk.

Produkter og materialer

VVS Vann og avløp

Nye vann- og avløpsinstallasjoner til bad og kjøkken i boenhetene

VVS-installasjoner for sanitær og kjøkkenfunksjoner

Tømrer Innvendige vegger og himlinger

🧱 Tre og gips

Oppføring av nye vegger for å dele opp underetasjen i tre boenheter med nødvendige rom

Innvendige konstruksjoner for rominndeling og tilpasning til boligformål

Bad Sanitærinstallasjoner

Antall: 3

Etablering av bad med dusj, toalett og vask i hver boenhet

Nye bad i hver av de tre boenhetene

Kjøkken Kjøkkeninnredning

Antall: 3

Kjøkkenløsninger i hver boenhet, inkludert kjøkkenbenk og oppvask

Nye kjøkken i hver boenhet for matlaging og oppbevaring

Grunnarbeid Ingen nye grunnarbeider

Bruksendring innen eksisterende bygningsmasse, ingen nye grunnarbeider nevnt

Ingen nye grunnarbeider nødvendig ved bruksendring

Isolasjon Termisk og lydisolasjon

Isolasjon for å oppfylle krav til lyd og varme i boligrom

Isolasjon i vegger og tak for komfort og energikrav

Elektro Elektrisk anlegg

Oppgradering og tilpasning av elektrisk anlegg for boligbruk i underetasjen

Elektrisk installasjon for belysning, stikkontakter og sikkerhet

Dører Innvendige dører

Antall: 10

Innvendige dører til soverom, bad, vaskerom og oppholdsrom i underetasjen

Dører for romavgrensning i de nye boenhetene

Vinduer Fasadevindu

🧱 Tre

Antall: 18

Eksisterende vinduer i tre på fasadene øst, sør og vest

Vinduer i underetasjen og øvrige etasjer for dagslys og ventilasjon

Gulv Gulvbelegg

Nye gulvbelegg i boenhetene tilpasset boligstandard

Gulvbelegg i stue, soverom, bad og kjøkken

Maling Innvendig maling

Maling av vegger og tak i de nye boenhetene

Overflatebehandling for innvendige rom

Fasade Glassdør

🧱 Glass og tre

Antall: 1

Glassdør som erstatter et vindu på fasade øst for å ivareta dagslys og rømningskrav

Ny glassdør i fasade øst for å sikre dagslys og rømningsvei i underetasjen

Ventilasjon Mekanisk ventilasjon

Ventilasjon tilpasset boligformål i underetasjen, inkludert krav til luftkvalitet

Ventilasjonsanlegg for å sikre tilfredsstillende luftskifte

Brannvern Brannsikring og rømningsveier

Brannsikring i henhold til branntegninger og krav, inkludert rømningsveier

Brannsikringstiltak for å ivareta sikkerhet i boenhetene

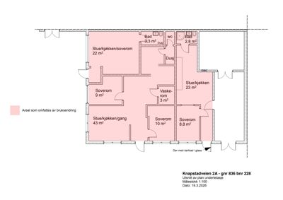
Plantegning

Enebolig 141.1 m²

Etasje 0 141.1 m²

Rom Areal Vinduer Dører
Stue/kjøkken/gang 001 43.0 m² 3 2
Soverom 002 9.0 m² 1 1
Stue/kjøkken/soverom 003 22.0 m² 1 1
Bad 004 3.3 m² 0 1
Vaske-rom 005 3.0 m² 0 1
Soverom 006 10.0 m² 1 1
Soverom 007 8.8 m² 1 1
Stue/kjøkken 008 23.0 m² 1 1
Bad 009 2.8 m² 0 1
wc 010 0.0 m² 0 1

Hovedbygg 0.0 m²

Etasje 0 0.0 m²

Rom Areal Vinduer Dører
Disponibelt til utleie 132 0.0 m² 0 1
Personalkom 129 0.0 m² 0 1
Gang 130 0.0 m² 0 1
Bilverksted 126 0.0 m² 0 1
Dekkklager 127 0.0 m² 0 1
Bilparkering 137 0.0 m² 0 0
Lager 133 0.0 m² 0 0
Lager 134 0.0 m² 0 0
Lager 135 0.0 m² 0 0
Lager 141 0.0 m² 0 0
Lager 140 0.0 m² 0 0
Disp. gard. 139 0.0 m² 0 0
Gangareal 138 0.0 m² 0 0
Lager 136 0.0 m² 0 0

Fasader

Enebolig

Øst
Materiale
Tre
Taktype
Saltak
Vinduer
18
Dører
3
Balkonger
3
Synlige etasjer
3
Syd
Materiale
Tre
Taktype
Saltak
Vinduer
15
Dører
2
Balkonger
4
Synlige etasjer
3
Vest
Materiale
Tre
Taktype
Saltak
Vinduer
10
Dører
2
Balkonger
2
Synlige etasjer
3

Hendelser

14.04.2026 Gbnr 836/228 - Knapstadveien 2A - Bruksendring og etablering av tre boenheter - Mangler ved søknaden
31.03.2026 Gbnr 836/228 - Knapstadveien 2A - Søknad om bruksendring i underetasjen