ChangeOfUse Soeknad Other

Bruksendring til restaurant i Øvregaten 14, Bergen

📍 Øvregaten 14 , 5003 BERGEN

Nøkkelinfo

Sakstype
Bruksendring
Bygningstype
Other
Bruksareal
500 m²
Kommune
Bergen
Fylke
Vestland
Gnr / Bnr
167 / 1532
Saksnummer
BYGG-2026/12622
Fase
Søknad

Om byggesaken

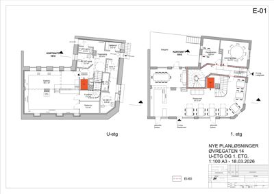
Bruksendring av kjeller og deler av 1. etasje i en bygård fra 1910 til restaurantvirksomhet. Prosjektet omfatter innvendig ombygging med ny planløsning, etablering av heis og trapp, samt oppgradering av tekniske installasjoner. Bygget er mur med saltak, og fasader forblir uendret. Arealet reduseres noe ved innvendig etterisolering, og det søkes fravik fra energikrav for yttervegger grunnet byggets alder og vernestatus. Det etableres universell utforming og tiltaket forbedrer tilgjengeligheten. Det er søkt dispensasjon fra byggegrenser mot vei og nabogrense. Totalt areal etter ombygging er ca. 500 m² BRA.

Produkter og materialer

VVS Sanitærinstallasjoner

Nye HC WC, gjestetoaletter, personaltoaletter og kjøkkeninstallasjoner

Sanitærinstallasjoner tilpasset restaurantdrift og universell utforming

Gulv Nye gulv i restaurant og kjeller

Nye gulv med isolasjon og overflate tilpasset restaurant og lager

Gulvoppbygging med isolasjon og slitesterke overflater

Tømrer Innvendige vegger og himlinger

Oppbygging av nye vegger og himlinger i kjeller og 1. etasje

Innvendige konstruksjoner for ny planløsning og tekniske føringer

Isolasjon Gulvisolasjon i kjeller

🧱 150 mm EPS 80

Ny gulvkonstruksjon med 150 mm EPS 80 isolasjon, U-verdi 0,18 W/m²K

Isolasjon av gulv i kjeller for å oppfylle minstekrav til energieffektivitet

Ventilasjon Ventilasjonsanlegg

Ventilasjon tilpasset restaurantdrift med kjøkken og publikumsarealer

Ventilasjonsanlegg for luftkvalitet og avtrekk

Elektro Elektriske installasjoner

Oppgradering av elektriske anlegg i kjeller og 1. etasje for restaurantbruk

Elektriske installasjoner for belysning, kjøkkenutstyr og tekniske systemer

Trapper Innvendig trapp

Antall: 1

Etablering av ny trapp mellom kjeller og 1. etasje

Ny trapp for forbindelse mellom etasjer i restaurantområdet

Isolasjon Innvendig etterisolering yttervegger

🧱 50 mm isolasjon

Innvendig etterisolering av murvegger med 50 mm isolasjon, U-verdi ca 0,70 W/m²K

Etterisolering for bedre energieffektivitet, med søkt fravik fra krav pga byggets alder og fuktproblematikk

Kjøkken Profesjonelt kjøkkenutstyr

Kjøkken på 55,1 m² med komfyr, wok, frityr, kjøle- og frysebenker

Fullt utstyrt kjøkken for restaurantdrift

Vinduer Kjelleretasjevinduer

Nye vinduer i kjelleretasjen med U-verdi iht dagens krav

Utskifting av vinduer i kjeller for å oppfylle energikrav

Heis Personheis

Antall: 1

Etablering av heis for universell utforming

Heis mellom kjeller og 1. etasje for tilgjengelighet

Brannvern Brannsikringstiltak

Brannsikring i henhold til regelverk for bruksendring og restaurant

Brannsikringstiltak inkludert brannskiller og rømningsveier

Dører Innvendige og utvendige dører

Nye dører i kjeller og 1. etasje i henhold til planløsning

Dører til kjøkken, personalrom, restaurant, WC, og lagerrom

Plantegning

Enebolig 263.2 m²

Etasje 0 150.4 m²

Rom Areal Vinduer Dører
Kjøkken 001 55.1 m² 0 1
Kjølerom 002 5.4 m² 0 1
Fryserom 003 5.0 m² 0 1
Tekn. u/trapp 004 2.7 m² 0 1
HC WC P 005 6.6 m² 0 1
Gard. P 006 7.1 m² 0 1
Trapp/gang 007 20.2 m² 0 1
WC-gjest 008 5.0 m² 0 1
WC-gjest 009 2.0 m² 0 1
Bøttekott 010 3.0 m² 0 1

Etasje 1 112.8 m²

Rom Areal Vinduer Dører
Restaurant 101 87.0 m² 0 2
Personalrom 102 10.8 m² 0 1
lukket selskap 103 15.2 m² 0 1
Butik 104 0.0 m² 0 0
Butik 105 0.0 m² 0 0
Butik 106 0.0 m² 0 0
Kabinett 107 0.0 m² 0 0
Kjøkken 108 0.0 m² 0 0
Værelse 109 0.0 m² 0 0
W.C. 110 0.0 m² 0 0

Bank 0.0 m²

Etasje 1 0.0 m²

Rom Areal Vinduer Dører
Gullsmed 0 0.0 m² 0 1
Gullsmed 0 0.0 m² 0 1
Utvidelse 0 0.0 m² 0 1
Trappehus 0 0.0 m² 0 0
Banklokale 0 0.0 m² 0 0
Spise/Hvilerom 0 0.0 m² 0 0
WC 0 0.0 m² 0 0
Kvinner Gard 0 0.0 m² 0 0
WC 0 0.0 m² 0 0
Menn Gard 0 0.0 m² 0 0

Fasader

Hovedbygg

Nord-Øst
Materiale
Mur
Taktype
Saltak
Høyde
6.7 m
Mønehøyde
12.1 m
Vinduer
10
Dører
2
Synlige etasjer
3
Nord-Vest
Materiale
Mur
Taktype
Saltak
Høyde
6.7 m
Mønehøyde
12.1 m
Vinduer
10
Dører
2
Synlige etasjer
3

Bergens Kreditbank

Øst
Materiale
Mur
Taktype
Saltak
Vinduer
4
Dører
2
Synlige etasjer
2
Sør
Materiale
Mur
Taktype
Saltak
Vinduer
3
Dører
2
Synlige etasjer
2

Hendelser

17.04.2026 Øvregaten 14 Søknad om rammetillatelse 167/1532