SitePlan
Situasjonsplan som viser tomtens beliggenhet, omgivende arealer, vegnett og bygningers plassering.
1 / 7
NewConstruction
Soeknad
Other
Oppføring av mikrohus for utleie i Valle, Skodje
📍 Vallevegen 20 , 6260 SKODJE
Nøkkelinfo
- Sakstype
- Nybygg
- Bygningstype
- Other
- Bruksareal
- 47 m²
- Kommune
- Ålesund
- Fylke
- Møre og Romsdal
- Gnr / Bnr
- 513 / 3
- Saksnummer
- 2026/6833
- Fase
- Søknad
Om byggesaken
Ny oppføring av tre mikrohus for utleie i strandsonen ved Valle, Skodje, plassert på en tomt på ca. 2000 m². Hvert mikrohus er ca. 11 m² BRA med forbrenningstoalett på 12 m², fundamentert på påler for minimalt terrenginngrep. Bygningene er tilrettelagt for bruk som utleierom/campinghytter med gråvannsløsning til tank og uten innlagt vann. Prosjektet inkluderer parkering på tomten og er plassert ca. 42 meter fra sjøen, med dispensasjon fra strandsoneregulering. Mikrohusene har enkel standard tilpasset turisme og gardsturisme i området.
Produkter og materialer
Elektro
Elektrisk installasjon
Antall: 3
Elektrisk anlegg for mikrohusene
Parkering
Parkeringsplass på tomt
Parkering inkludert i BYA, ca. 36 m²
Parkeringsareal for brukere av mikrohusene
Bygningskomponenter
Mikrohus med forbrenningstoalett
🧱 Tre
Antall: 3
Hvert mikrohus ca. 11 m² BRA, forbrenningstoalett på 12 m², enkel standard for utleie/camping
Tre mikrohus for utleie med forbrenningstoalett
Tak
Taktekking for mikrohus
Antall: 3
Taktekking tilpasset små bygg i strandsonen
VVS
Forbrenningstoalett og gråvannstank
Antall: 3
Forbrenningstoalett til hver enhet, gråvann føres til tank
Sanitærløsning med forbrenningstoalett og gråvannstank
Fasade
Yttervegger i tre
🧱 Tre
Antall: 3
Yttervegger i tre for mikrohusene
Grunnarbeid
Fundamentering på påler
Antall: 3
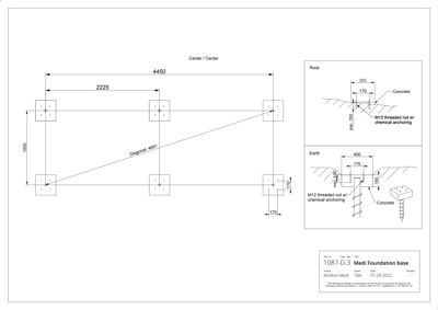
Fundamentering på påler for minimalt terrenginngrep, se tegning 1087-D-3 Medi Foundation base
Fundamentering av mikrohus på påler for å redusere terrenginngrep
Hendelser
22.04.2026
Gbnr. 513/3 - Søknad om rammetillatelse - Valle - Mikrohus for utleie